J41W Flanged Needle Valve
manufacturer: Kaiweixi Valve Group Co., Ltd
Eml: Merry@kaiweixi.com
Tel: +86 (577) 67038872
Mob: +86 18157711652(WeChat Same Account)
product drawing

J41W Flanged Needle Valves
Overview
The J41W flange-type needle valve is a small-bore instrument valve featuring flange connections, operated by rotating the handwheel to drive the stem and needle-type disc for precise opening and closing. Its sealing surface is directly machined from the valve body material (“W” type), forming a metal-to-metal hard seal. This valve is primarily used for root isolation of pressure gauges and transmitters, pipeline sampling, flow regulation, and draining/venting. It serves as a critical instrument accessory in industries such as petroleum, chemical, power generation, and pharmaceuticals, ensuring safe isolation and precise control of measurement systems. The flange connection provides stable installation and reliable sealing, suitable for medium to high-pressure and larger diameter instrument piping systems.
Features:
1.Flange connection for stability and reliability: Standard flange connection offers high strength and reliable sealing, suitable for medium to high-pressure and vibrating applications.
2.Needle-type disc for precise regulation: The needle disc cooperates with the seat to enable precise adjustment and control of small flow rates with excellent regulation performance.
3.Metal-to-metal hard seal for reliability: Sealing surfaces are directly machined from stainless steel, forming a wear-resistant metal-to-metal hard seal with long service life.
4.All-stainless steel corrosion resistance: Body and main components are made of 304/316 stainless steel, providing excellent corrosion resistance for various corrosive media.
5.High-pressure design: Robust body structure withstands high working pressures, suitable for high-pressure applications.
6.Reliable stem sealing: Multi-layer packing or PTFE sealing with gland prevents external leakage.
7.Compact structure for easy installation: Compared to threaded connections, flange connections are easier to disassemble and maintain, suitable for applications requiring frequent inspection.
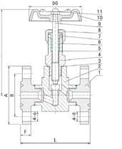
Dimensions & constructral diagram

J41W Flanged Needle Valve constructral diagram
Parts List
| No | Part name | Material |
|---|---|---|
| 1 | Flange | 20# A105 SS304 SS304L SS316 SS316L |
| 2 | Body | 20# A105 SS304 SS304L SS316 SS316L |
| 3 | Bonnet gasket | Red copper PTFE |
| 4 | Bonnet | 20# A105 SS304 SS304L SS316 SS316L |
| 5 | Gland follower | PTFE Flexible graphite Metal packing |
| 6 | Packing | PTFE Flexible graphite |
| 7 | gland | 20# A105 SS304 SS304L SS316 SS316L |
| 8 | Lock nut | 20# A105 SS304 SS304L SS316 SS316L |
| 9 | Stem | 20# A105 SS304 SS304L SS316 SS316L |
| 10 | Handwheel | 20# A105 SS304 SS304L SS316 SS316L |
| 11 | Cap nut | 20# A105 SS304 SS304L SS316 SS316L |
Performance Specification Sheet
| Nominal Pressure (MPa) | Test Pressure (MPa) | Working Pressure (MPa) | Working Temperature (°C) | Applicable Medium | |
|---|---|---|---|---|---|
| Casing (liquid) | Seal (gas) | ||||
| 1.6 | 2.4 | 0.6 | 1.6 | P≤540°C | Liquefied petroleum gas, water, acid, steam, oil products, etc. |
| 4.0 | 6.0 | 0.6 | 4.0 | ||
| 16.0 | 24.4 | 17.6 | 16.0 | ||
| 32.0 | 48.0 | 35.2 | 32.0 | C≤425°C | |
Outline dimension table
| Model | Nominal diameter DN | A | C | F | N-Ø | L | H | D0 | |
|---|---|---|---|---|---|---|---|---|---|
| J41W/H | DN10 | 90 | 60 | 41 | 14 | 4-Ø14 | 130 | 90 | 60 |
| J41W/H | DN15 | 95 | 65 | 46 | 14 | 4-Ø14 | 132 | 90 | 60 |
| J41W/H | DN20 | 105 | 75 | 56 | 16 | 4-Ø14 | 150 | 105 | 80 |
| J41W/H | DN25 | 115 | 85 | 65 | 16 | 4-Ø14 | 150 | 120 | 100 |



